Курсы валют
1$ = 92.22 100 ¥ = 60.09 $ 1 = ¥ 153.47
40116 активных
покупателей
472422 полученных
посылок
ВНИМАНИЕ!

Те товары, которые не соответствуют критериям отправки каналами «Эконом», «Стандарт 15» и «Стандарт 12», недоступны для заказа, если в лоте более 3 единиц однотипного товара. Пожалуйста, убедитесь, что ваш заказ соответствует данным условиям, в противном случае, мы не сможем доставить товар, а стоимость товара будет списана с вашего кошелька. Подробное описание тарифов: Калькулятор
Свяжитесь с администратором для получения подробной информации.
Аукцион загружается
Номер лота: s1202007146
В наличии: 1 единица
Местоположение: 神奈川県
Состояние товара: подержанный
Габариты (с упаковкой):
Вес (с упаковкой):
Текущая цена
¥ 170000
102153 . / $ 1107.71
Блиц-цена
¥ 400000
240360 . / $ 2606.37
До конца торгов: торги окончены  обратный отсчет
Начальная цена:
¥ 170000 | 102153 . | $ 1107.71
Ставок: 0
Шаг ставки: ¥ 1000
Начало торгов: 23.12 17:33 (MSK)
Окончание торгов: 26.12 12:33 (MSK)
Досрочное завершение: возможно
Автопродление: включено
Победители торгов :
история ставок
Калькулятор стоимости
Цена (¥):
Комиссия поставщика:
¥
100
Банковский перевод:
¥
270
Доставка по Японии(¥): * * уточняйте в описании товара
Способ отправки:
Вес(кг):
Доставка из Японии($):
Доставка по России():

По России

  

За рубеж

Город:
Регион:
-
Индекс:
Оценка(₽):
Размеры(см):
x x
Примерная стоимость:

Описание

Отомон Western Electric 300B


Это единственный усилитель для 300B, такой как Western Electric и Takatsuki.

Ток, текущий к пластине 300B, составляет 60-65 мА. Смещение представляет собой фиксированное смещение, которое постоянно контролирует ток, текущий к ценному 300B, и имеет объем счетчиков тока и регулировки смещения, чтобы его можно было регулировать.

Для того, чтобы промыть все функции 300B, выходной хэтчбек принимает специальное большое суперядро, а выходной хэтчбек составляет 7 кг.

Уровень шума составляет всего 0,5 мВ, поэтому он очень тихий, даже когда нет висения или шума.

Мы провели проверку производителя (Otomon Lab) перед выставкой продукта. Поскольку он используется, на нем есть царапины и грязь, но это целое чистое состояние. 3 месяца гарантии Otomon является японским производителем.Домойhttps://mon.netДомой Для получения дополнительной информации, пожалуйста, посетите наш сайт.


Спецификация: (Измерение производителем) 300ВПри использовании

Частота: 20 Гц ~ 45 КГц @12w/8Ω
ТТHD: 10w
Остаточный шум: 0,5 мВ
Размер:W470xD320xH220m м

Здесь нет ни бури, ни шума, ни ханжества от баса до требла, и . . . . красив. Звук очень красивый и это замечательный усилитель. С выходом 10 Вт на одном канале вы можете управлять автомобилем с 88 дБ или более высокой чувствительностью.

Предусилитель не нужен, потому что объем регулировки не прикреплен.

Включает силовой кабель.

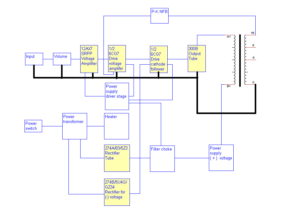
Конфигурация вакуумной трубки

Первый этап: 12AT7
Стадия вождения: 6CG7 (6DJDJ)
Выходной этап: 300B
Трубка выпрямителя: 5U4G, 274B и т.д. Домой Дом дома

Вакуумная трубка не включена, поэтому, пожалуйста, подготовьтесь к обладателю билета.

Проверьте информацию об измерениях.

Частота ответов: Если общий усилитель составляет от 20 Гц до 20 кГц, то стандарт есть, но остальные производители измеряют в 1 Вт, но когда максимальный выход выводится на энтриноактивный LAB.

Максимальный выход: Это зависит от того, какую музыку можно смотреть. Это не максимальный физический выход, когда коэффициент искажения не превышает 5%.

Остаточный шум: Усилитель вакуумной трубки может смотреть музыку без препятствий, если остаточный шум составляет около 1 мВ. Это лучше, чем этот уровень. Если вы динамик с высокой чувствительностью 100 дБ или более, вы можете почувствовать шум, если остаточный шум составляет 0,5 мВ или меньше. Проверьте информацию о динамике и выберите усилитель.

(音門ラボ)OTOMON Western Electric 300B 向けのSE 真空管アンプ 10w+10w出です。


高額のWestern Electric/高槻などの300B向けのシングルアンプです。

300Bのプレートに流れる電流は60-65mAと設定しております。バイアスは固定バイアスとなり、貴重の300Bに流れる電流を常に監視し、調整もできるように電流メーターとバイアス調整のボリュームを設けました。

300Bの特徴をすべて洗い出すために出力トランスに特別の大型スーパーコアを採用して、1個の出力トランは7kgもあります。

ノイズのレベルは僅か0.5mVなので、ハンム、ノイズがなく、音楽がないときでもとても静かです。

出品する前にメーカー(音門ラボ)にて点検を行い、動作的に新品の状態に戻りました。中古品なので、トランスに傷、汚れがありますが、全体的にきれいな状態です。メーカーの保証は3か月となります。音門は日本のメーカーです。メーカのHPはhttps://otomon.netです。詳しくはホームページにアクセスして情報をご参照ください。


仕様:(メーカーにて測定) 300Bを使ったとき

対応周波数: 20Hz~ 45KHz @12w/8Ω 
THD: 5% 10w
残留ノイズ : 0.5mV
サイズ:W470xD320xH220mm

ハンム、ノイズがなく、低音から高音まで音の妥協がなく、ボーカルが美しいです。音色がとてもきれいで、素晴らしいアンプです。片チャンネルに10Wの出力もあるので、感度の88db以上のスピーカーなら問題がなくドライブできます。

調整ボリュームがついていので、プリアンプは必要ないです。

電源ケーブルを付属します。

真空管の構成

初段:12AT7
ドライブ段:6CG7(6DJ8)
出力段:300B
整流管:5U4G、274Bなど。。。

真空管は付属しないので、落札者に用意していただきます。

測定の情報を説明します。

対応周波数:一般のアンプであれば20hz〜20kHZまで対応できれば基準ですが、他のメーカーは1wの時に測定するところが、音門ラボに最大の出力が出る際に測定しました。

最大出力: これは音楽が鑑賞できることを前提して出力を図る。通常は歪率が5%を超えない時、これは物理的な最大の出力ではありません。

残留ノイズ:標準的に真空管アンプは残留ノイズが1mVの程度であれば支障がなく音楽が鑑賞できます。そのレベルより低いほど良いです。100db以上の感度の高いスピーカーならやはり残留ノイズが0.5mV以下出ないならハンム、ノイズが感じます。自分のスピーカーの情報を確認してアンプを選択してください。

Развернуть описание

Отзывы покупателей

Зарегистрируйся
и следи за предложениями аукционов Yahoo

Регистрируясь, я принимаю условия Пользовательского соглашения и даю согласие на обработку своих персональных данных Политика конфиденциальности